一、可逆正反转启动,接近开关控制电动机到行程自动停止电路接线图
如下图所示是一款电动机可控制正反转启动方向,接近开关作自动停止的一种具备行程控制的电路。接近开关是一种非接触式的开关设备,只要当运动的金属物体接近它到一定距离时,它就能发出接近信号,接近开关内的触点就会动作,以控制运动物体的位置,而不用直接碰撞它。因为它采用了晶体管接近开关(无触点开关),因此它比机械式的行程开关可靠而且寿命也长。

1、 电动机正向转动:合上电源开关Q,扳合旋转开关S,接近开关SQ1、SQ2线圈得电。按下起动按钮SB2,接触器KM1得电并吸合,电动机正向运转并带动金属体作向下、向前或向右的运动,当金属体接近到规定的位置时,接近开关SQ1的常闭触点SQ1动作,切断了正向控制电路,使电动机停止。
2、 电动机反向转动:按下反向起动按钮SB3,接触器KM2得电并吸合,电动机反向运转,并带动金属体作向下、向后或向左的移动,当金属体接近到规定的位置时,接近开关内常闭触点SQ2动作,切断了反向控制电路,使电动机停止。
本电路的特点:具有控制可靠、准确和安全等特点,适用于需进退、上下、左右移动,并能按规定位置停止的各种生产机械。
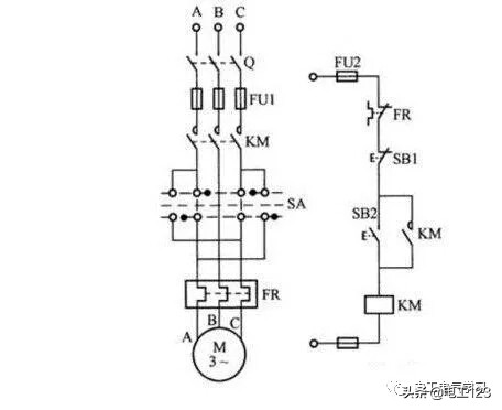
二、按钮互锁的电动机正反转控制电路接线图
如下图所示电路是一款按钮互锁正反转控制电路,实际上它是将《接触器互锁电动机正反转控制电路接线图》电路中两个接触器的常闭触点去掉,换上复合按钮的常闭触点,来实现正反转互锁控制的。复合按钮的特点是,同一个按钮上的常开触点和常闭触点联动,并且操作时常闭触点先断开,常开触点后闭合,复位时,常开触点先断开,常闭触点闭合。

1、 正转控制:合上电源开关Q,按下正转按钮SB2,接触器KM1线圈通电并吸合,其主触点闭合、常开辅助触点闭合并自锁,电动机正转。这时电动机所接电源相序为A-B-C。
2、 反转控制:按下反向起动按钮SB3,此时SB3的常闭触点先断开正转接触器KM1的线圈电源,按钮SB3的常开触点才闭合,接通反转接触器KM2线圈的电源,使KM2吸合,辅助常开触点闭合并自锁,主触点闭合,电动机反转。这时电动机所接电源相序为C-B-A。
如需要电动机停止,按下停止按钮SB1即可。
本电路的特点:在电动机正转时,可直接按反转按钮,使电动机反转。同样,在反转时,可直接按正转按钮,使电动机正转,操作比较方便。另外,因为两个起动按钮的常闭辅助触点相互联锁,保证了两个接触器不能同时通电,从而避免了相间短路事故。本电路常适用于需正反转连续运转且不频繁操作的各种生产机械。
三、转换开关预选电动机正反转的起停控制电路
如下图所示的电路接线图可实现电动机的正反转控制。起动电动机之前,先用转换开关SA预选电动机的旋转方向,然后由起动按钮控制接触器,再由接触器主触点来接通和断开电动机三相电源,实现电动机的起动和停止。
实际上该电路是在电动机单向旋转控制电路的基础上,将转换开关接人主电路以改变电动机三相绕组接入电源的相序,来实现电动机的正反转。

转换开关SA有4对触点,3个位置,当SA在上方位置时,合上电源开关Q,电动机三相绕组按A-B-C的相序接入电源,按下起动按钮SB2,可实现电动机正转;当SA在中间位置时,电动机三相电源断开,操作SB2时,电动机不转;当SA在下方位置时,电动机三相绕组按C-B-A的相序接入电源,按下起动按钮SB2,可实现电动机反转。
本电路的特点是:控制电路简单,适用于不经常改变电动机方向的生产机械。
四、防止相间短路的电动机正反转控制电路接线图
如下图电路是利用联锁继电器延长转换时间来防止相间短路的。按下按钮SB3时,正转接触器KM1得电吸合并自锁,电动机正向起动运转,同时,KM1的常开辅助触点KM1 (1-2)闭合,使联锁继电器K得电吸合并自锁,串联在KM1、KM2电路中的常闭触点K (3-4)、K (5-6)断开,使KM2不能得电,实现互锁。按下反转按钮SB2时,首先断开KM1控制电路,KM1断电释放,当其主触点断开,待电弧完全熄灭后,联锁继电器K断电释放,这时K的常闭触点K (5-6)闭合,KM2才能得电吸合并自锁,电动机才能反向转动。

这种电路能完全防止正反转转换过程中的电弧短路,适用于转换时间小于灭弧时间的场合。
五、刀开关控制电动机启动单向旋转电路
刀开关主要用在照明电路和三相动力电路以及7.5kW以下电动机启动电路中,作为一种通断设备,因为在它的虾米接有熔断器,它不仅能起开关作用,还能起到短路保护作用。如下图所示为电动机单向旋转刀开关控制电路。

当合上刀开关时,电动机单向启动旋转,断开刀开关时,电动机停止转动。刀开关上接有熔断器FU,一旦发生电路短路事故,熔断丝会熔断,切断电动机电源,防止电动机烧坏,从而起到保护作用。
此电路具有结构简单,维修方便、造价低廉的优点。但是它带电拉合闸的灭弧能力较弱,因此只适用于不频繁启动的小容量电动机,并且不易实现远距离控制。
六、自动往复带双向延时停留的电动机控制电路
下图是一种自动往复带双向延时停留的控制电路。该电路还具有点动控制功能。在不按SB2情况下,按下SB3或SB4分别实现正转和反转点动操作。SB2是自动往复起动按钮。SQ1是正转折反转行程开关,SQ2是反转折正转行程开关。

当按下SB2,使中间继电器KA得电并自锁,其接于接触器线圈回路的常幵触点闭合,为自动循环做好准备。然后按下SB3,KM1得电吸合并自锁,电动机正转,当工作台正向到达极限位置,压下行程开关SQ1,使其常闭触点断开,KM1失电,切断电动机正向电源,电动机停转。同时SQ1常开触点闭合,KT2得电,经一段延时停留,KT2常开延时闭合触点闭合,KM2得电吸合并自锁,电动机反向起动运转。行程开关SQ1复位,其常开触点断开,使KT2失电,常闭触点闭合,为KM1得电作准备。
当工作台反向运行到极限位置,压下行程开关SQ2,使其常闭触点断幵,KM2失电,切断电动机反向电源,电动机停转。同时SQ2常开触点闭合,KT1得电,经一段延时停留,KT1常开延时闭合触点闭合,KM1又得电吸合并自锁,电动机又开始正向起动运转。如此周而复始,实现自动往复循环工作。
本电路适用于炼铁髙炉加料小车电动机的控制等。
七、串励直流电动机刀开关正反转控制电路接线图
下图为串励直流电动机刀开关可逆控制电路。图中Q为双刀双掷开关,通过Q可改变电枢绕组的电流方向,从而在接通直流电源后改变电动机的方向。切换刀开关时,电动机因为只改变电枢绕组的电流方向,而励磁绕组的电流方向始终不变,因此电动机的方向改变。这种电路可用在电瓶车上。

八、改变直流电动机电枢电压极性实现正反转启动电路
如下图所示为改变直流电动机电枢电压极性实现电动机正反转的启动电路接线图。图中KM1、KM2为正反转接触器,Rf为放电电阻,SB2为正转起动按钮,SB3为反转起动按钮,SB1为停止按钮。

1、 正转起动:合上电源开关Q,按下起动按钮SB2, KM1线圈得电并自锁,主触点闭合,接通电枢回路,电动机正向起动并运行。另外,因为在KM1通电时,其串联在KM2线圈电路中的常闭触点断开,使KM2不能得电,起到互锁作用。
2、 反转起动:若在合上电源开关Q后,再按下起动按钮SB3,KM2线圈得电并自锁,主触点闭合,反向接通电枢回路,电动机反向起动并运行。另外,KM2串联在KM1线圈电路中的常闭触点断开,使KM2不能得电,起到互锁作用。
3、 电动机停转:只需按下停止按钮SB1,KM1 (或KM2)断电,主触点切断电动机电枢电源,电动机停转。
为了防止过电压损坏电动机,在励磁回路中接有放电电阻Rf,其阻值一般为励磁绕组电阻的5~8倍。
九、倒顺开关控制电动机正反转电路接线图
倒顺开关又称为可逆转换开关,它是一种组合开关,倒顺开关的操作手柄有“倒”、“顺”、“停”三个位置,适用于交流50Hz、额定电压至380V的电路中,可直接通断单台异步电动机,并进行停止、正反转控制操作。
如下图所示为某款KO3系列倒顺开关控制电动机正反转电路,它由三个相同的蝶形动触头和9个U形静触头及一组定位机构组成。具有薄钢板防护外壳,触头为双断点形式,由中间转轴操作其分断与闭合。接线时,中间三个触头接三相电源,右侧三个接电动机。

(1)当倒顺开关的手柄位于中间“停”时,电源切断,动静触头之间不接触,电动机不转;
(2)当手柄处于右侧“顺”时,电动机三相绕组A、B、C相序接通三相电源,电动机正向转动;
(3)当手柄处于左侧“倒”时,电动机三相绕组B、A、C相序接通三相电源,电动机反向转动;
用倒顺开关控制的正反转电路,只适用于电动机换向不频繁的场合,如铣床主轴正反转选择,和某些机床的电动机的换向控制等。
十、旋转开关控制电动机正反转电路接线图
转换控制开关,适用于交流50Hz或60Hz,交流电压至500V,直流至440V的电路中,作为小容量电动机直接启动、停止和换向(正反转)之用。如右图所示为转换开关控制的电动机正反转电路接线图。
根据电机学原理,只要将接到电动机上的电源线中任意两相想对调,即可实现正反转控制。电路的工作方式如下:

1、 转换开关SA有4对触点、3个位置。当合上电源开关Q,将转换开关SA扳到上方位置时,电源按A、B、C相序与电动机M的三相绕组A、B、C相接,电动机正转。
2、 当旋转开关SA扳到中间位置时,三相绕组电源被切断,电动机停止转动。
3、 当旋转开关SA扳到下方位置时,电源按C、B、A相许与电动机M的三相绕组A、B、C想接通,电动机反转。
因为转换开关并没有灭弧设备,仅适用于不频繁启动、停止且电动机容量在5.5kW及以下的正反转控制的场合。尤其适用于升降机,电动起重机等场所的电动机控制。
十一、接触器互锁电动机正反转控制电路接线图
有的生产机械往往要求运动部件实现正反两个方向运动。例如,机床的工作台前进与后退、主轴的正转与反转、起重机的上升与下降等,这就要求拖动生产机械的电动机能实现正反转控制。
如下图所示是利用接触器互锁的正反转控制电路,图中主电路采用了两个接触器,其中KM1用于正转,KM2用于反转。两个接触器不能同时通电,否则会造成两相电源短路。因此将两个接触器的常闭辅助触点接入对方线圈电路,以实现互锁。

1、 正向转动控制:合上电源开关Q,按下正向起动按钮SB2,接触器KM1的线圈通电并吸合,其主触点闭合,常开辅助触点闭合自锁,电动机M正向旋转。同时KM1的常闭辅助触点断开,避免接触器KM2通电。这时电动机所接电源的相序为A-B-C。
2、 反向转动控制:如果需要电动机由正向旋转折为反向旋转,先按下停止按钮SB1,使正转电路断开,然后再按下反向起动按钮SB3,接触器KM2线圈通电并吸合,其主触点和常开辅助触点闭合,使电动机反转。同时KM2的常闭辅助触点断开,避免接触器KM1通电。这时电动机所接电源相序为C-B-A。
3、如要电动机停止,只需按下停止按钮SB1即可。
这种控制电路在改变电动机转向时,需要先按停止按钮,再按反转起动按钮,才能使电动机反转。本电路适用于需可逆运行的各种生产机械。
十二、正反转方向可逆启动,行程开关控制电动机自动停止电路接线图
如下图所示是一款可逆起动并以行程开关作自动停止控制的电路。行程开关是由安装在运动部件上的撞块来压合动作的,而撞块安装位置是根据行程要求来调节的,它带有半自动控制性质,最大的特点是能使机械设备每次起动后自动停止在所要求的地方。

1、 电动机正向转动控制:合上电源开关Q,按下起动按钮SB2,接触器KM1线圈得电并吸合,主触点闭合,同时辅助触点闭合并自锁,接通电动机电源,电动机正转,并由运动的机械带动撞块作向上、向前或向右的移动。当撞块行至规定的位置时,碰到了行程开关SQ1,其常闭触点断开,从而切断了正向控制电路,使电动机停止。
2、 电动机反向转动控制:按下反向起动按钮SB2,接触器KM2线圈得电并吸合,主触点闭合,辅助触点闭合并自锁,主电路得电,电动机起动并反转。并由运动机械带动撞块作向下、向后或向左边移动,当撞块行驶至规定位置时,碰到行程开关SQ2,其常闭触点断开,从而切断反向控制电路,使电动机停止。
本电路常被应用于需要进、退,上、下,左、右移动,并能在规定位置自动停止的各种生产机械上。
十三、防止误启动(需同时按两个按钮)电动机正反转控制电路接线图
如下图所示为一款防止误启动的电动机正反转控制电路接线图,与典型的正反转控制电路相比,增加了一只启动按钮SB4,从而需要用双手操作。

1、 正转控制:右手按下启动按钮SB2,左手按下启动按钮SB4,才能使接触器KM1得电吸合并自锁,其主触点闭合,电动机正转。
2、 反转控制:右手按下启动按钮SB3,左手按下启动按钮SB4,才能使KM2得电吸合并自锁,其主触点闭合,电动机反转。
3、 停止控制:按下停止按钮SB1,切断控制电路电源,电动机停止转动。
因为启动电动机,必须同时按下两个按钮,若平时失误碰到任何一个按钮,都不能造成电动机的误启动,并且不知道操作要领,也不能启动电动机。因此此类电路常应用在较为复杂和对安全性有特定要求的场合。
十四、电动机正反转,限时自动往返(时间继电器)控制电路接线图
如下图所示是一种由一台电动机在规定时间范围内作连续可逆的正反方向运转的自动控制电路。图中用时间继电器KT1、KT2作时间控制元件,中间继电器KA1、KA2起中间控制作用。合上电源开关Q和旋转开关S,这时时间继电器KT1得电,中间继电器KA1得电吸合。接触器KM1得电并吸合,电动机作正向限时运转。
待延时时间到,时间继电器KT1常闭延时断开触点断开,使中间继电器KA1断电,其触点KA1断开,接触器KM1线圈断电,主触点KM1断开,电动机瞬时停止正转。

在时间继电器KT1常闭延时断开触点断开的同时,其常开延时闭合触点KT1闭合,反转中间继电器KA2暂时得电吸合,其常开触点闭合自锁,并使时间继电器KT2得电,反转接触器KM2得电并吸合,电动机作反向限时运转。
待延时时间到,时间继电器KT2的常闭延时断开触点断开,使中间继电器KA2断电,接触器KM2断电,电动机瞬时停止反转。因为中间继电器KA2的断电,其常闭触点复位,时间继电器KT1得电,中间继电器KA1吸合,KM1得电吸合,电动机又处于正向限时运转状态。
这样周而复始重复前面工作过程,使电动机在规定时间内作连续可逆运转。若需使电动机停止,可扳开旋转开关S,待KT2延时时间到,电动机停转。
本电路适用于在规定时间内作连续可逆运转的生产机械。
十五、三个接触器组成电动机正反转控制电路接线图
在电动机容量较大,并且重载下进行正反转切换时,往往会产生很强的电弧,容易造成相间短路。为避免此情况发生,在正反转电路中增加了一个接触器,组成如下图所示的电路。

1、正向启动转动:当正转起动时,按下正转按钮SB3,其常闭触点先断开,切断反转控制回路,然后其常开触点闭合,接通正转控制回路,正转接触器KM1得电吸合并自锁,电源接触器KM也得电吸合,电动机接人正相序三相电源,正向起动运转。
2、反向起动转动:当正转折反转时,按下反转按钮SB2,其常闭触点先断开,切断正转控制回路,使正转接触器KM1断电释放,电源接触器KM也随着断电释放,然后其常开触点闭合,接通反转控制回路,使反转接触器KM2得电吸合并自锁,电源接触器KM也得电吸合,电动机接入反相序三相电源,反向起动运转。
可见在正反转换接时,因为KM1和KM两个接触器主触点组成4断点灭弧电路,可有效地熄灭电弧,防止相间短路。反转折正转亦然
十六、电动机双重互锁正反转控制电路接线图
只采用复合按钮的互锁保护是不太可靠的,实际工作中因为负载短路或大电流的长期作用,接触器的主触点有可能被强烈的电弧“烧焊”在一起;或因为接触器的机构失灵,使衔铁卡住而总是处于吸合状态。这时,如果另一个接触器正好得电吸合,就会发生电源短路故障。为此,在电路中再分别串接两接触器的常闭触点,可起到双重互锁的作用。
将《接触器互锁电动机正反转控制电路与按钮互锁的电动机正反转控制电路》中的电路图结合起来,就变成具有双重互锁的正反转控制电路。如下图所示,图中SB2和SB3均为复合按钮,合上电源开关Q,按下起动按钮SB2,其常闭触点SB2断开,使接触器KM2不得电;常开触点SB2接通,使接触器KM1得电吸合并自锁,其主触点闭合,接通电源,电动机正向起动运转。这时KM1的常闭触点KM1断开,进一步保证KM2不得电。

当需要电动机反转时,按下反向按钮SB3,其常开触点SB3断开,使接触器KM1断电释放,主触点断开,切除了电动机的电源,电动机断电而慢慢停止,同时SB3的常开触点闭合,又因为KM1的常闭辅助触点恢复闭合,使得接触器KM2得电吸合并自锁,其主触点闭合,将电动机的两相电源对调,电动机反向转动。这时KM2的常闭触点断开,确保KM1断电。如果要电动机停止,只需要按下停止按钮SB1即可。
本电路特点:操作方便,可直接进行正反转的操作,又安全可靠,因此广泛应用于可逆运转的各种生产机械上。
资料来自网络,仅供分享学习。