各位读者,中国电工技术学会定于2016年7月10~11日在北京铁道大厦举办“2016第十一届中国电工装备创新与发展论坛”,主题为“电工行业十三五规划研究与解读”。请感兴趣的读者扫描下方的二维码(或关注微信公众号“电气技术”),浏览会议详情和进行快速注册报名。注册时请准确填写相关信息,会议服务人员将及时与您确认参会事宜。
中铁电气化勘测设计研究院有限公司的研究人员刘斌,在 2016 年第 3 期《电气技术》杂志上撰文指出,城市轨道交通供电系统中车辆再生制动产生的电能利用问题已引起广泛关注与重视。为了降低隧道洞体和车站内温度并对能量进行回收利用以达到节能的目的,在变电所内设置再生电能利用设备已成为各方的共识。
但目前几种再生电能利用技术均存在一定的局限性,笔者对各种再生电能利用技术进行分析对比后,认为在城市轨道交通供电系统中使用中压能馈设备具有明显优势。
在城市轨道交通工程中,直-交变压变频的传动方式已经普遍采用。车辆在运行过程中,因为站间距一般较短,列车起制动频繁,因此要求起动加速度和制动减速度大,制动平稳并具有良好的起动和制动性能。从能量相互转换的角度看,制动能量是相当可观的[1]。
传统的车载电阻虽然可以将列车再生制动产生的电能消耗掉,但带来隧道洞体和站台温度上升,增加环控系统的负担,造成能源浪费,同时在地铁隧道的封闭系统里存在粉尘污染及车辆自重大等问题,这与节能环保的主题相悖[2]。因此,再生电能利用技术的研究已引起广泛关注与重视。同时,研究再生电能利用设备具有重要意义,符合国家节能减排、低碳环保政策。
1 城市轨道交通供电系统介绍
城市轨道交通供电一般是采用10kV或35kV交流电供电,通过整流变压器、二十四脉波整流器组成的整流机组把三相交流电整流为1500V或者750V的直流电,并通过接触网或者接触轨为轨道交通车辆提供电能。
城市轨道交通供电系统主要由以下几部分构成:外部电源,通常为城市电网提供的10kV或35kV交流电;中压环网,轨道交通内部10kV或35kV供电网络,通常采用双环网,牵引动力照明混合供电网络;牵引供电系统,通常为1500V或750V直流电,可采用接触网或接触轨为机车供电;通过钢轨回流。
以北京某地铁线为例,供电系统采用10kV分散供电方式,10kV环网采用双环网,牵引动力照明混合供电网络,DC1500V接触网供电。地铁牵引供电系统如图1所示:
图1 地铁牵引供电系统示意图

其中,牵引供电系统主要由整流机组、直流正负极开关设备、馈线、接触网隔离开关、接触网、钢轨、回流电缆、均流电缆和钢轨电位限制设备等组成。
每座牵引变电所设两套整流机组(整流变压器-整流器单元),牵引降压混合变电所10kV侧采用单母线分段接线,两套整流机组并联接在同一段10kV母线上,牵引变电所DC1500V侧母线采用单母线加备用母线接线方式,正线每座牵引变电所馈出4回DC1500V电源向左、右线接触网的左右臂供电,牵引变电所出口设越区供电隔离开关。
再生电能利用设备均接入DC1500V母线,当车辆再生制动产生电能时,通过DC1500V母线把电能传送给再生电能利用设备。
2 相关技术对比
2.1 再生电能利用技术方案比较
目前再生电能利用设备主要有以下几种技术方向:电阻消耗型;电容储能型;飞轮储能型;逆变回馈型。
表1 再生电能利用设备技术比较

综合以上分析,电阻消耗型设备并不能真正实现电能的再利用,仅仅是便于热能的集中处理。虽然在北京、天津、重庆等城市均有应用,但电阻设备的发热量高,通常需要设置在地面风亭附近,而电阻设备的噪音非常大,目前已有多处居民反映电阻室噪音扰民现象。因此电阻消耗型设备目前在新建线路中已基本不再采用。
电容储能是以超级电容为储能介质的牵引电能储能设备,既可节能、又可起到稳压的作用,目前在欧洲部分城市的轨道交通中有采用,维护工作量少,但投资相对较高。
北京地铁5号线采用了4套西门子的电容储能设备,但因为设备故障率高、售后服务不到位等原因,目前并没有投入使用。目前国内已有多家供货商完成了电容储能设备的样机研制,并在车辆段的试车线开展了挂网试验,正在寻求地铁正线牵引变电所的挂网试验和应用。
飞轮储能技术目前在纽约地铁、香港城巴、巴黎地铁等轨道交通的部分变电所和欧美一些电力公司有应用,具有占地面积较小,扩展方便,且维护工作量不大的优点,但核心技术难以掌握,投资非常高,约为100万美元/MW。2
014年掌握飞轮储能技术的美国Kentic Traction公司已被国内某公司收购,飞轮储能设备也正在国产化进程中。若飞轮储能设备的国产化进程顺利,该设备成本有望大幅降低。
飞轮储能型和电容储能型设备目前尚未在地铁正线变电所有成功的应用业绩,主要有两个原因:一、储能设备投资相对较高;二、进口设备技术服务不到位;且电容及飞轮储能设备国产化进程相对滞后。
逆变回馈方案又分为低压能馈型(逆变方式是将电能反馈至动力照明网络400V系统)和中压能馈型(逆变方式是将电能反馈至10kV或35kV中压环网)。
逆变回馈型技术在日本、新加坡均有应用,国内部分多家企业和高校均在进行技术方案改进的工程化研制,并取得了一定的成果。北京地铁9号线完成低压逆变+电阻型再生电能利用设备科研。
2013年,北京10号线二期和14号线西段分别选取了2座正线牵引变电所对中压能馈设备进行了挂网试运行。自两条线路开通以来,设备工作稳定,应用效果良好。截至目前,14号线中、东段已全线采用了中压能馈型再生设备。
因为国内市场已有多家供货商可以提供逆变回馈型再生电能利用设备并具有一定的研发、制造、生产、配套服务实力,因此,若轨道交通采用逆变回馈型再生电能利用设备,技术服务可以得到有效的保证。
综合比较,逆变回馈型再生电能利用方案更适合中国国情,对逆变回馈型技术在轨道交通供电系统中的应用进行试验和应用,统计和分析测试数据,研究和完善技术方案,对今后的推广可以提供有效的理论依据和技术支持。
2.2 逆变回馈型技术方案比较
不论是低压能馈型还是中压能馈型,逆变回馈型设备均以IGBT作为核心元器件,技术原理是类似的,而IGBT的耐受电流也成为制约逆变回馈型设备容量的最主要的因素。
1)容量比较
低压能馈型设备因为反馈电能至400V系统,而IGBT能够通过的电流是有限制的,因此容量难以做大,根据市场调研情况,目前单套设备容量可达1.2MW。
根据牵引供电系统模拟,一列8节编组,6动2拖的A行车在正常制动时产生的瞬时功率约为8MW,而在整个制动过程中(按20s考虑)的功率也在4MW左右。
因此若采用低压能馈型设备,则不仅需要设置逆变型设备,还应在此基础上增加电阻消耗型设备以消耗掉不能被逆变设备利用的电能。而中压能馈型设备的容量相对于低压能馈型设备具有较大的技术优势。根据市场调研,目前中压能馈设备的容量可以达到4MW的水平。
2)对轨道交通设备影响分析
因为列车制动属于重复性冲击负载,能量回馈到400V电网很可能会导致400V电网网压存在较大波动,进而影响400V电网上设备的稳定运行。
相比之下,中压环网的10kV或35kV系统容量远远大于400V系统,因此中压能馈设备相对于低压能馈设备的系统稳定性更好。
3 中压能馈设备
3.1 中压能馈设备系统构成
中压能馈设备主要由隔离变压器、逆变器、电抗器、隔离开关组成。中压能馈设备的变压器是特殊定制的变压器,为逆变器提供特定相角的交流电压。
逆变器为中压能馈设备的核心部分,实现再生制动电能的回馈。逆变器主要由电力电子功率模块、控制单元、滤波器等组成[3]。
3.2 中压能馈设备基本功能
中压能馈设备主要具有以下功能:回馈再生制动产生的电能,实现节能减排;具有稳定直流电压的功能,可以减小直流纹波,提高供电质量;具有一定的无功补偿功能。
3.3 中压能馈设备基本工作原理
中压能馈设备的核心部分即逆变器,又可以称作PWM变流器,作为基于PWM脉宽调制的功率变换设备,逆变器可以在电网电压和系统电感固定的情况下,通过调整逆变器电压的相角和大小来控制流过逆变器电流的相角和大小。基本工作原理如图2所示:
图2 PWM变流器基本工作原理图

在电网电压ea和交流电感L一定的情况下,通过控制Ua的大小和相位,就可以控制电流ia的大小和相位,进而控制变流器传输功率及功率因数。
通过对Ua的大小和相位的控制,可以使逆变器工作在整流或者逆变的状态,也可以控制逆变器发出容性或者感性无功。因此,将该设备接入供电系统中可以实现上面提到的中压能馈设备的基本功能。
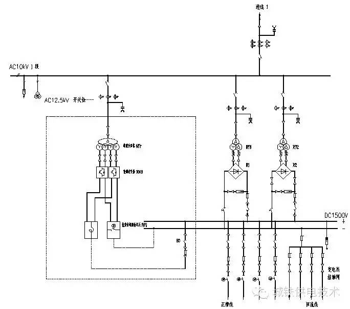
4 供电系统接入
中压能馈设备接入轨道交通供电系统的主接线方案如图3所示:
图3 主接线方案

由上图可见,中压能馈设备中压侧通过断路器接于中压母线上;直流正极通过直流断路器接至1500V正母线上;负极通过电动隔离开关接与1500V负母线上。
目前,中压能馈设备已在北京14号线中、东段推广采用,其中东段已于2014年底开通运营,设备运行稳定,节能效果明显,验证了中压能馈设备在轨道交通供电系统中的各项基本功能。
经测试,中压能馈设备反馈至中压环网的电能符合国家电能质量GB/T 12325-2008、GB/T 12326-2008及GB/T14549-1993等相关标准。
5 结论
经过以上的分析和论述,可以看出中压能馈设备在轨道交通供电系统中的应用具有以下优势:
与电阻消耗型和储能型设备相比,其能量直接回馈到电网的特点,既不要配置储能元件,也不要吸收电阻,因此对环境温度影响小;与低压能馈设备相比,其设备容量较大,基本可以满足轨道交通供电系统需求;且其系统稳定性更好,对400V系统网压影响较小,更有利于轨道交通低压设备的安全运行。
综上所述,在飞轮储能和电容储能设备价格未能大幅降低的时代背景下,中压能馈设备在轨道交通供电系统以其价格低廉、设备成熟、大功率的特点,将会在城市轨道交通中发挥重要作用。它的应用能够节约能源,降低地铁运营成本,提高经济效益,同时保证地铁车辆及变电所设备的安全运行,因此对其进行相关研究具有重要的现实意义。
城铁供电技术(微信号:ctgdjs)
关注轨道交通供电系统技术发展