
一、基础用电线路的种类和特点
基础用电线路是指将供配电线路送来的电能进行利用,使之由电能转换为人们生活所需要的各种能源的线路。根据用途的不同,其主要有室内照明线路、公共照明线路、公共安防报警线路、景观照明及LED控制线路等几种,如图2-1所示。

图2-1 基础用电线路的种类
1、室内照明线路
室内照明线路是通过控制开关来控制照明用电线路的通断,从而最终实现对室内照明灯具点亮或熄灭的控制。室内照明线路是基础用电线路中最常见的一种线路。图2-2所示为室内照明线路的结构组成。

图2-2 室内照明线路的结构组成
室内照明线路的结构较为简单,主要是由控制开关和照明灯具构成。当室内光线不足时,按动控制开关,照明用电线路接通,照明灯具点亮,为人们的生产、生活提供足够的亮度。如图2-3所示,这种用电线路无论是在家庭生活还是在工业生产上都有着广泛的应用,是最典型的一种基础用电线路。

图2-3 室内照明线路的应用
2、公共照明线路
公共照明线路与室内照明线路类似,也是通过控制照明用电线路的通断实现对照明灯具点亮或熄灭的控制。图2-4所示为公共照明线路的结构组成。所不同的是,公共照明线路的控制部分多采用电子元器件或电气控制部件组成较为简单的控制线路,其控制的过程主要有人工控制和自动控制两种。另外,公共照明线路中的照明灯具也与室内照明线路有所区别。

图2-4 公共照明线路的结构组成
公共照明线路应用于一些公共场所并需要提高光线亮度的环境,且通常由几个、十几个或上百个照明灯具同时受控于一组线路中,对其进行的各种控制状态也都是同步实现的,如常见的楼宇内楼道照明、街道或公路两侧的路灯照明等,如图2-5所示。

图2-5 公共照明线路的应用
3、 公共安防报警线路
公共安防报警线路是指用于进行安全防范的一种线路,通常是由各种传感器和检测线路等组成,具有警示功能。图2-6所示为公共安防报警线路的结构组成。

图2-6 公共安防报警线路的结构组成
公共安防报警线路是应用比较广泛的一种线路,常见的主要有火灾报警线路、防盗报警线路以及各种安全警示线路等,如图2-7所示。

图2-7 公共安防报警线路的应用
4、景观照明及LED控制线路
景观照明及LED控制线路是一种用于装饰、美化环境或用于广告提醒的用电线路。该线路通常侧重于对灯具工作状态进行自动地、实时地控制和改变,大多数采用NE555等集成电路与电子元器件组合进行控制。图2-8所示为景观照明及LED控制线路的结构组成。

图2-8 景观照明及LED控制线路的结构组成
景观照明及LED控制线路多应用在一些观赏景点,或者一些比较显著的位置上,用来作为景观进行观赏或广告提示,常见的主要有建筑物墙体景观照明、霓虹灯、各种LED广告灯等,如图2-9所示。

图2-9 景观照明及LED控制线路的应用
二、基础用电线路的基本识图方法
1、了解基础用电线路的特征
基础用电线路主要是由供配电线路提供380V/220V交流低压供电,通过电子元器件、电气部件的组合连接构成控制线路,并与照明灯具、电声器件、电机等功能部件相连,实现相应的功能,以满足人们生产、生活的需要。
与供配电线路相比,基础用电线路的形式更加复杂,功能更加多样。图2-10所示为典型的光控照明线路。可以看到,该类线路中不同图形符号代表不同的组成部件和元器件,部件和元器件间的连接线体现出了其连接关系,而且线路中的分岔口(分支)有很多个,线路回路不再单一,当闭合开关元件QS后,不能直接控制照明灯点亮。

图2-10 典型的光控照明线路
观察该线路可知,照明灯EL点亮,需要线路中的K-1也闭合才能构成供电回路,而K-1是否闭合,需要根据其所代表实际部件的特点来判断。通常K 表示继电器,其触点是否闭合受线圈的控制,所以需要找到线路中表示继电器线圈的部分,如图中的矩形框K,即需要线圈K 得电。接着,再在此基础上去分析K得电的条件,直到理清线路中各关键元器件和部件的控制关系,完成识读过程。
根据上述介绍不难了解基础用电线路的基本特征,在此基础上掌握组成该类线路的各元器件和部件的特点、功能、在线路中的体现形式、之间的控制关系、导通特性、输入与输出引脚等(相关内容将在下一节中具体介绍),是学习基础用电线路的基本方法和步骤。
2、认识基础用电线路中的主要部件及元器件
基础用电线路都是由各种电子元器件和电气部件,通过一定的连接关系组合构成的,将380V/220V交流供电形式进行必要的传输或转换后,满足各电子元器件和部件的工作条件,最终实现控制功能,完成用电线路的设计要求。
因此,要想了解并掌握基础用电线路,首先要了解用电线路中的主要部件及元器件,熟知其功能、结构和工作过程,然后从供电和信号控制两方面入手,搞清线路的功能和特点。
例如,图2-11所示为一种典型基础用电线路。

图2-11 典型基础用电线路(触摸控制的照明线路)
从图可看出,该用电线路主要由用电线路总电源开关即断路器QF、桥式整流线路(VD1~VD4)、单向晶闸管VS、NE555时基集成电路、触摸开关A 及电阻、电容等基本电子元器件构成。
不同类型的用电线路,所采用的基本元器件的种类和数量也不尽相同,应熟悉和掌握该类线路中主要部件和元器件的图形符号和文字符号的代表含义,了解各部件和元器件的功能特点,以便于对线路进行分析识读。
下面介绍基础用电线路中常用的元器件和部件,为识读该类电工线路做好准备。
(1)认识基础用电线路中常用的集成电路
基础用电线路中常采用一些集成电路作为关键的器件,不仅使线路设计更加简单,控制关系也简单化。下面以应用较多的NE555时基集成电路为例进行介绍。
1)NE555实际线路的结构及引脚功能
图2-12、图2-13所示为NE555时基集成电路的实物外形、引脚功能和内部结构框图。

图2-12 NE555时基电路的实物外形和引脚功能

图2-13 NE555时基集成电路的内部结构框图
可以看到,NE555时基集成电路用字母“IC”标识,其内部设有振荡电路、分频器和触发电路。②脚、⑥脚、③脚为触发器输入和输出端引脚。③脚输出电平为高电平还是低电平受内部触发器的控制,触发器则受②脚和⑥脚触发输入端控制。
根据其内部结构框图可知,内部设有3 只电阻器,构成分压器。比较器A1 的⑤脚接在R1 与R2 之间,其电压为2/3VCC。若使比较器A1 输出高电平,则⑥脚(A1 的同相输入端)应高于⑤脚电压;比较器A2同相输入端接在R2与R3之间,其电压值为1/3VCC,若使比较器A2 输出高电平,其条件为②脚(A2 反相输入端)电压低于1/3VCC。
因此,一般情况下NE555时基集成电路的②脚电位低于1/3VCC,即有低电平触发信号加入时,会使输出端③脚输出高电平;当②脚电位高于1/3VCC,⑥脚电位高于2/3VCC时,输出端③脚输出低电平。
④脚为NE555的复位端,当④脚电压小于0.4V时,不管②、⑥脚状态如何,输出端③脚都输出低电平。
⑦脚为放电端,与③脚输出同步,输出电平一致,但⑦脚并不输出电流。
2)NE555的典型应用
NE555的应用十分广泛,特别是在一些自动触发线路、延时触发线路中的应用较多,另外,NE555时基集成电路根据外围引脚连接元器件的不同,其实现的功能也有所区别。
例如,在一些可实现自动触发的线路中,根据一些传感器件自动感测信号,并将信号送入到NE555时基集成电路的触发输入端,NE555根据触发端电压的变化来决定③脚输出情况,如图2-14所示。

图2-14 NE555在自动触发线路中的工作过程
在一些延时触发线路中,NE555引脚外接电容器实现充放电过程,延长③脚输出高电平或低电平的时间,在照明线路中多用于一些需要延时一段时间后自动熄灭的线路中,其工作过程如图2-15所示。

图2-15 NE555在延时触发线路中的工作过程
可以看到,NE555的功能十分强大,改变其引脚外接元器件或引脚连接关系后,其触发关系也发生变化,因此对于一些集成电路弄清楚其输入、输出引脚间的控制关系是关键。
除了时基集成电路外,还有一些集成电路应用得很广,例如,运算放大器、电压比较器、三端稳压器、计数分频器、逻辑门电路等,如图2-16所示。了解这些集成电路的引脚功能、内部结构十分重要。

图2-16 基础用电线路中可能采用的一些其他集成电路
(2)认识基础用电线路中常用的电子元器件
在电工线路中一些基本电子元器件的应用也越来越广泛,线路的控制方式和功能越来越丰富。
1)阻容类元件
电阻器、电容器、电感器等元件在电工线路中是应用最广的元件。图2-17所示为常见电阻器、电容器、电感器元件的实物外形及对应图形符号和文字标识。

图2-17 常用阻容类元件的实物外形及对应图形符号和文字标识
① 电阻器。
电阻器在线路中常用于限流或降压,是很多控制线路中最基本、最常用的电子元件之一。
在该类元件中,光敏电阻器、热敏电阻器及气敏电阻器常作为传感器使用,用于感知其所在环境的亮度、温度、气体的变化,并将其转换为电信号,利用传感信号实现对线路的自动控制。
例如,图2-18所示为照明线路常用光控开关中的光敏电阻器。光敏电阻器的特点是当外界光照强度变化时,光敏电阻器的阻值也会随之变化。大多数情况下,光照强度越高,光敏电阻器电阻值越小。

图2-18 常用光控开关中的光敏电阻器
同样,热敏电阻器的阻值可随环境温度的变化而变化,若其阻值随环境温度的升高而增大,随温度的降低而降低,为正温度系数热敏电阻;若其阻值随温度的升高而降低,随温度的降低而升高,为负温度系统热敏电阻。
气敏电阻器是一种新型半导体元件,这种电阻器是利用金属氧化物半导体表面吸收某种气体分子时,会发生氧化反应或还原反应使电阻值改变的特性而制成的电阻器。
② 电容器。
在电工线路中,电容器一般作为滤波、储能和时间常数元件使用。其中,滤波及储能是电容器的基本功能,其在线路中做平滑滤波之用。
电容器在交流用电线路中可以起到降压作用,例如在一些要求照明灯亮度可调的控制线路中(如家庭客厅用吊灯的可调控制),利用不同电容器对交流50 Hz 电源的阻抗不同进行分压控制,如图2-19所示。

图2-19 电容器的降压功能
③ 电感器。
电感器是一种储能元件,它可以把电能转换成磁能并储存起来,由其制成的扼流圈常用在滤波线路中。
2)晶体二极管
晶体二极管是一种常用的半导体器件,简称二极管。二极管种类有很多,常用于电工线路中的二极管主要有整流二极管、稳压二极管、双向触发二极管和发光二极管等几种。图2-20所示为其各自的实物外形及对应的图形符号和文字标识。

图2-20 电工基础用电线路中常用二极管的实物外形及对应的图形符号和文字标识
① 整流二极管。
整流二极管的主要作用是将交流整流成直流,主要用于整流线路中,具有正向导通、反向截止的特性,如图2-21所示。

图2-21 整流二极管的导通与截止特性
② 稳压二极管。
稳压二极管根据不同的规格有一定的稳压值,如5V、12V等,其主要作用即将其所连接线路的直流电压稳定在其稳压值上,稳压二极管在反向偏置状态。当该二极管反向导通时,其两端电压有一稳定的值,如图2-22所示。

图2-22 稳压二极管的稳压特性
③ 发光二极管。
发光二极管常用于显示器件或光电控制线路中,例如常见的广告牌发光控制线路中。发光二极管简称LED,具有正向导通发光、反向截止的特性,如图2-23所示。

图2-23 发光二极管导通与截止特性
④ 双向触发二极管。
双向触发二极管(简称DIAC)是具有对称性的两端半导体器件,常用来触发双向晶闸管。
3)晶体三极管
在电工线路中,晶体三极管应用也十分广泛,根据其内部结构不同,主要有NPN型晶体三极管和PNP型晶体三极管两种。图2-24所示为两种晶体三极管的实物外形及对应图形符号和文字标识。

图2-24 晶体三极管的实物外形及对应图形符号和文字标识
在线路中,特别是一些采用光控、触摸、声控的照明线路、公共安防线路中,多采用晶体三极管的开关特性实现线路的开关功能。晶体三极管可以组成电子开关,只要满足一定条件就可使其导通或截止,起到电子开关的作用。图2-25所示为NPN型晶体三极管的导通和截止条件。

图2-25 NPN型晶体三极管导通和截止条件
图2-26所示为PNP 型晶体三极管导通和截止条件。

图2-26 PNP型晶体三极管导通和截止条件
例如,在一些控制线路中,由晶体三极管的导通与截止特性控制线路中的一些元器件(执行部件)。图2-27所示为一个由继电器K 控制的照明灯线路,该线路中继电器K是否得电受晶体三极管的控制。

图2-27 晶体三极管开关特性的典型应用
4)晶闸管
在电工线路中,晶闸管是一种可控整流器件,它主要有单向晶闸管和双向晶闸管两类。因为其导通后内阻很小,管压降很低,此时外加电压几乎全部降在外线路负载上,而且负载电流较大,因此常用在可控开关控制线路中。图2-28所示为两种晶闸管的实物外形及对应图形符号和文字标识。

图2-28 晶闸管的实物外形及对应图形符号和文字标识
① 单向晶闸管。
单向晶闸管是指其导通后只允许一个方向的电流流过的半导体器件,相当于一个可控的整流二极管,其需要同时满足阳极A与阴极K之间加有正向电压,控制极G接收到正向触发信号(高电平)才可导通。图2-29所示为单向晶闸管的导通特性。

图2-29 单向晶闸管的导通特性
单向晶闸管导通后,即使其控制极端的触发信号消失,仍可维持导通状态。只有当触发信号消失、阳极与阴极之间的正向电压也消失或反向时才可截止,如图2-30所示。

图2-30 单向晶闸管的截止条件
需要注意的是,很多实际应用线路中,220V交流电经桥式整流电路整流后加到晶闸管的阳极上,在该情况下,单向晶闸管工作在脉动直流电压的状态下,当电压为零时不能维持导通状态,必须有持续的触发信号才能维持导通状态,如图2-31所示。

图2-31 由桥式整流电路供电的单向晶闸管导通与截止的过程
② 双向晶闸管。
双向晶闸管又称双向可控硅,与单向晶闸管在大多数方面都相同,不同的是,双向晶闸管可以双向导通,可允许两个方向有电流流过,常用在交流线路中。其除控制极G 外的另两个电极不再分阳极、阴极,而称之为主电极T1、T2,如图2-32所示。

图2-32 双向晶闸管的导通特性
双向晶闸管第一电极T1与第二电极T2间,无论所加电压极性是正向还是反向,只要控制极G和第一电极T1间加有正、负极性不同的触发电压,就可触发导通,呈低阻状态。
双向晶闸管一旦导通,即使失去触发电压,也能继续保持导通状态。只有当第一电极T1、第二电极T2 电流减小至小于维持电流或T1、T2间的电压极性改变且没有触发电压时,双向晶闸管才截止,如图2-33所示,此时只有重新加触发电压方可导通。

图2-33 双向晶闸管的截止条件
因此,双向晶闸管在线路中一般用于调节电压、电流,或用作交流无触点开关。
(3)认识基础用电线路中的控制开关
控制开关在基础用电线路中应用广泛(多用于照明线路),其主要功能是实现接通和断开线路,从而实现控制照明灯具的点亮和熄灭。
目前,控制开关越来越朝向方便、节能等方向发展,其类型也多种多样,常见的主要有单位单控开关、两位单控开关、三位单控开关、单位双控开关、声控开关、触摸开关、拉线开关等几种。图2-34所示为各种控制开关的实物外形及对应的图形符号和文字标识。

图2-34 各种控制开关的实物外形及对应的图形符号和文字标识
(4)认识基础用电线路中的照明灯具
在电工基础用电线路中,照明灯具是主要的负载或输出器件,是将电能转换为光能的关键器件。照明灯具的种类多种多样,根据其应用场合不同,其外形及材料也有所不同,但基本都起到照明和装饰的作用。图2-35所示为常见照明灯具的实物外形。

图2-35 常见照明灯具的实物外形
3、搞清基础用电线路的控制关系
通过了解基础用电线路的特征和对主要元器件与部件的认识,可对基础用电线路从整体上进行初步把握,在此基础上,搞清线路中各关联元器件与部件的控制关系是识读基础用电线路的关键。
在基础用电线路中,体现的不再是简单的通、断控制关系,各元器件和部件之间也不再是简单的前后顺序关系,需要读者在识读过程中,十分清楚地了解哪个元器件和部件首先工作,其工作后可引起与其关联的元器件或部件如何变化。特别是对于一些采用集成电路的线路,首先需要弄清楚哪些引脚为输入端,哪些引脚为输出端,输入信号后输出端输出怎样的信号,与引脚外接的元器件或部件有何关系等一系列相关联的内容。
下面以典型触摸式楼道公共照明灯控制线路为例,介绍理清线路中控制关系的过程。
图2-36所示为典型触摸式照明灯控制线路。可以看到,根据线路的基本构成可先将该用电线路划分为供电线路、触发及控制线路和照明灯等部分。

图2-36 典型触摸式照明灯控制线路
其中,供电线路主要由单相220V交流电源、断路器QF、桥式整流电路VD1~VD4、稳压二极管VZ和滤波电容C1组成,该线路主要用于为照明灯和各种电子元器件提供所需的工作电压。
触发及控制线路主要由触摸开关A、时基集成电路IC(NE555)和单向晶闸管VS等构成,该线路以触摸开关作为触发源,对照明路灯的点亮和熄灭进行控制。
(1)分析用电线路中关键信号之间的控制关系
参照图2-36可知,照明灯点亮需要在闭合QF后形成供电回路,即需要使单向晶闸管VS导通,根据前文所述VS 导通条件,需要其控制端有高电平触发。根据线路中的连接关系不难看到,NE555的③脚经电阻器R3后加到晶闸管控制极,因此需要满足NE555的③脚输出高电平。
接下来,需要对NE555的相关引脚功能及控制关系进行了解。参照前文介绍可知,当其⑧脚满足供电条件后,其②、⑥脚作为触发输入端满足触发条件即可使其输出端③脚输出相应的高低电平。
最后,找到NE555②、⑥脚外接元器件,根据连接关系了解人手碰触触摸开关时的变化,进而理清该用电线路的工作过程。
(2)理清用电线路的工作过程
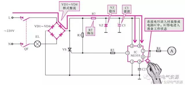
合上总断路器QF,接通单相电源,首先满足线路中各元器件的用电条件,如图2-37所示。

图2-37 满足典型用电线路中各元器件的工作条件
【线路分析笔记】
交流220V电压经桥式整流电路VD1~VD4 整流、电阻器R2 降压、稳压二极管VZ稳压、电容器C1滤波后,输出直流电压为时基集成电路IC(NE555)供电,时基集成电路IC得电后,进入准备工作状态。
用手碰触触摸开关A,通过逐步分析其信号传递过程,理清照明灯点亮的过程,如图2-38所示。

图2-38 照明灯点亮的控制过程
【线路分析笔记】
用手碰触触摸开关A时,手的感应信号经电阻器R4 加到时基集成电路IC的②脚和⑥脚。
手的感应信号是一种人体感应信号,相当于对NE555的②脚和⑥脚送入触发低电平,满足②脚低电平触发条件,集成电路内部触发器发生翻转,其③脚输出高电平。
单向晶闸管VS的控制极有高电平输入,触发VS 导通,照明灯EL 形成供电回路,照明灯点亮。
图2-39所示为照明灯熄灭的工作过程。

图2-39 照明灯熄灭的过程
【线路分析笔记】
用手再次触碰触摸开关A,手的感应信号送到时基集成电路IC的②脚和⑥脚。
时基集成电路IC内部触发器再次翻转,其③脚输出低电平。
单向晶闸管VS的控制极降为低电平,VS截止,切断照明灯EL供电回路,照明灯熄灭。
来源于《双*图色**解常用供电用电线路》笔者:韩雪涛
版权归原笔者所有,如有侵权,请联系删除
看完文章后,您可以:
1、分享到朋友圈,把正能量传递给更多的人!
2、关注微信公众号:全球电气资源(ID:qqdqzy888)或我们的官方网站(www.ourger.com)获取更多有用电气专业知识、图纸、计算软件及资讯。

猜你喜欢:
一文读懂触电与安全用电、触电急救
讲解10kV配电线路杆型
架空线路的安装与电缆施工
配电线路的基本知识,实用
电气工程牛人整理——电线电缆基本知识