K系列Amplifiersdeliver更多的力量和声音,而使用更少的能源比传统的放大器。而其所有在耐用,免维护包那只有2U机架空间高。K系列放大器使用专利的平衡电流放大器( BCA )电路,给你大量的电能,同时产生热量的十分之一的传统放大器。事实上,强大的K2放大器可提供惊人的1,250瓦每声道2欧姆(这是一个非常坚实的2欧姆) !K系列功放因为他们难以置信效力,不需要内部的冷却风扇,并设有一个封闭的机箱。当然,没有风扇设备没有风扇的噪音。此外,在封闭机箱,使这些放大器实质上不受环境问题,例如灰尘,香烟烟雾,舞台雾和溢出的液体。在实际的日常条款, K系列放大器基本上是免维护。所有对流冷却的放大器,不同经营水平和负荷,可能需要额外的空气在高环境温度条件下的运动。最重要的是, K系列提供卓越的声音,被称为皇冠 - 紧,胸部砰低端,清澈的高音和一个明确的中档。几个特殊的商品评论一致认为K系列提供了梦幻般的声音。特点无风扇/无噪音2500瓦, 2欧姆K21500瓦, 2欧姆K1专利电路设计BCATM的无与伦比的热效力高级能源效力密封机箱通用电源卓越的声音准确的,本色的声音非常低的失真最好的音乐和语音再现高阻尼系数紧,干净的低音响应先进的节能设计单声道模式开关可以让你设置你的功放/音箱在配置最适合您的需求?如合并放大器的输入,合并放大器输出,或两者兼而有之。先进的保护电路防止输出短路,开路,直流负载不匹配,全面过热,高频率的过载和内部故障用途极为广泛,处理广泛的扬声器阻抗和输出独家BCA ? (平衡电流扩增ER )电源设计,提供超级安静,无风扇运行效力切换输入灵敏度?软启动?功能可防止K系列放大器吸取大电流时,它第一次打开,所以你不知道吗?吨需要延迟安培电源独特的成型,铸铝前面板提供了出色的空气流通您的KSeries放大器无故障,完全可转让保修三年,完全保护您的投资,并保证其规格产品规格以下数据适用于220伏,50赫兹为单位,在立体声模式下, 8欧姆负载和输入灵敏度为26 dB增益,除非另有规定。美国以外的单位提供的规格可能会略有不同,在不同的交流电压和频率。 输出功率:电源在下面的图表。电压增益:K1 :31.55 dB增益在1.4伏的灵敏度在2.65伏的灵敏度26分贝增益。K2 :32.88 dB增益在1.4伏的灵敏度25分贝增益在3.0伏的灵敏度。线路电压要求:可配置为通用电源, 100,120 , 200 , 220 ,230 , 240 ,250VAC在50或60 Hz
下面我们分享一下厂家的服务手册,因为偶尔候维修想找找电路图还是比较困难

K2前面板

背后



手册封面

信号输入

电源

整流

电源

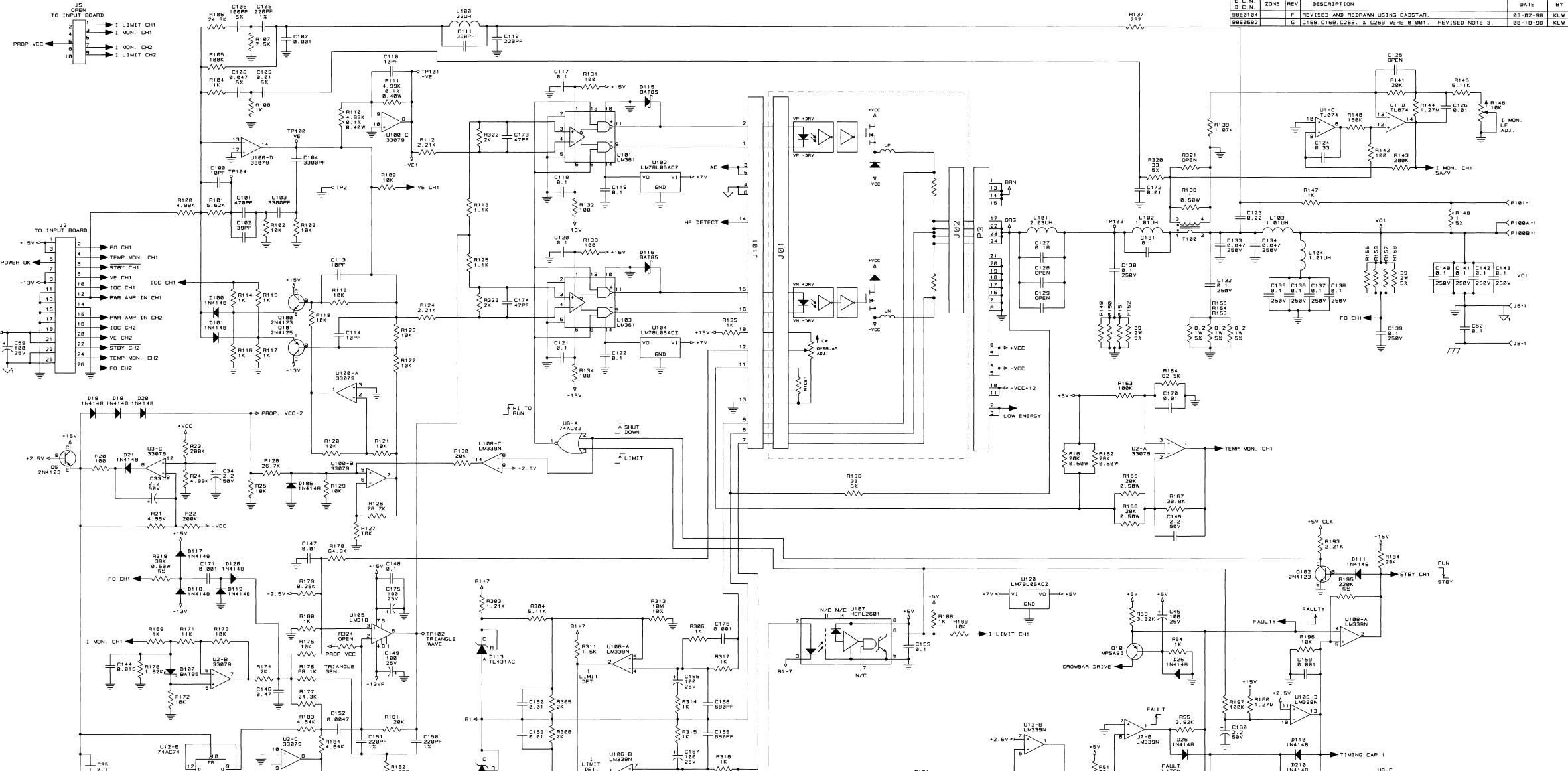
功率放大

功率放大

功率放大

功率放大

信号输入