车辆信息:2010年别克君威,行驶里程:144600公里。配备了自动空调,电动调节座椅。此车在别的维修厂陆续维修了三四个月。换过压缩机,电磁阀更换很多个,故障依旧。

验证故障现象:车主反映此车之前是偶尔没有凉风,但是上次在另一家维修厂维修过变速箱后就出现偶尔开空调没有风出来,偶尔电动座椅不能调节。检查了几次没发现问题。我们接手试车,开空调发现一切正常,风量也没有问题。
读取故障码,有一个故障码,记录后清掉,再读取没有故障码了,说明不是一个持续故障。

路试故障车辆:因为该车是偶发故障所以出去试车,首先试了十公里左右的高速,没有什么问题出现,然后到比较颠簸的路面开始试车,当走了两公里左右故障现象出来了,直接就没有风出来了,停下车读取故障码,下边是读取到的故障码。

分析故障码:第一是鼓风机电机转速电路。第二是空调压缩机控制电路。这是出现故障的同时报出的故障码,可以从这里入手,然后读取空调系统数据流。

发现问题:在空调的数据流发现一条数据流是:空调压缩机离合器禁止原因——HVAC鼓风机关闭。所以就从鼓风机入手,开关鼓风机开关,每个档位都没有反应。开始测量鼓风机供电接地。

检测过程:测量鼓风机两根线,用万用表测量有一根12V供电,但是没有接地。因为这个鼓风机接地是场效应管控制接地的。但是此时发现供电电压闪了一下,感觉不对。用功率试灯测量,发现试灯亮度不够,而且偶尔闪一下,发现问题。

分析故障现象:现在发现供电不稳,但是测量是处于熄火开钥匙的情况,担心是缺电引起的,打着车测量发电量14V正常,再去测量发现鼓风机供电只有4V,而且试灯微亮,怀疑是供电虚接。

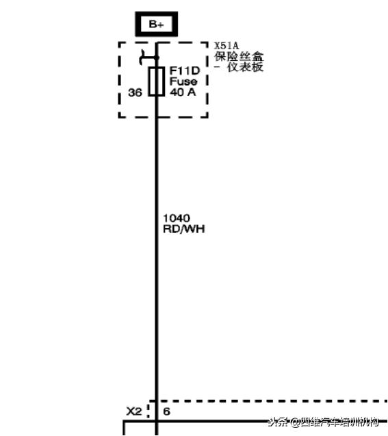
测量分析:怀疑是供电虚接,此时我们就根据电路图,一步步向上找,鼓风机供电是场效应管过来的,拔下场馆插头测量供电同样试灯微亮,再往上就是副驾驶室内40A大保险,测量发现试灯还是微亮,拔下保险发现保险的供电端同样试灯微亮,现在就怀疑是给这个大保险供电的地方虚接了。

发现故障点:最后根据电路图找到了40A保险前面还有一个在电瓶桩头处集成100A保险出来的螺栓,发现故障点,螺栓有点松动导致虚接了。处理后鼓风机启动正常了。并且看电路图图发现这个保险也到了电动座椅,这也是电动座椅偶尔不能用的原因。

清掉故障码,发现故障码:压缩机控制电路清不掉,并且通过数据流观察压力压缩机没工作,风扇没有工作。但是他的压缩机电磁阀指令有5%,说明模块是有控制的,重点检查压缩机。此车为可变排量压缩机。

用试灯测量电磁阀发现电磁阀此时没有供电,但是有占空比控制接地,发现问题。根据电路图找到供电是由K33空调模块给的。

根据电路图找到了空调模块的J2插头的10号脚和11号脚为压缩机电磁阀的供电接地。并且这里是输出了供电和占空比控制接地的,但是压缩机那里没有供电,说明线路中有断路。拔下了两端的插头测量供电线电阻无穷大,确认线路中有断路。

解决故障:从电路图中看到线路中有一个插头,并且在雨刮格栅下面找到了这个插头,开始检测这个插头,从插头公端到电磁阀插头那里是导通的,没问题,但是从插头母端这里打导通就不通了,发现问题点,拔下插头,发现里面进水腐蚀了,处理问题点,全部装好试车,一切正常了,车辆维修结束。

维修总结:1:维修电路故障要会识读电路图,能够确认你的维修思路。
2:往往一些很小的故障点被忽略过后就成了疑难杂症,所以维修时要够细心。